Product Description:
The SFP transceivers are high performance, cost effective modules supporting dual data-rate of 1.25Gbps/1.0625Gbps and 20km transmission distance with SMF.
The transceiver consists of three sections: a FP laser transmitter, a PIN photo-diode integrated with a trans-impedance per-amplifier (TIA) and MCU control unit. All modules satisfy class I laser safety requirements.
The transceivers are compatible with SFP Multi-Source Agreement (MSA) and SFF-8472. For further
information, please refer to SFP MSA.
Figure 1 The model of 1.25G with 1310nm
Figure 2 Logic Diagram
Product features
●Dual data-rate of 1.25Gbps/1.063Gbps operation
●1310nm FP laser and PIN photo-detector for 20km transmission
●Compliant with SFP MSA and SFF-8472 with duplex LC receptacle
●Digital Diagnostic Monitoring:
--Internal Calibration or External Calibration
●Compatible with SONET OC-24-LR-1
●RoHS compliance
●+3.3V single power supply
●Operating case temperature:
-Standard : 0 to +70°C
-Industrial : -40 to +85°C
●Compatible with equipment like: Cisco, Juniper, 3Com, Extreme, Alcatel, H3C, Foundry, Dlink, IBM,
Allied-telesyn Linksys, Dell ,Nortel, Zyxel etc
Applications
●Gigabit Ethernet
●Fiber Channel
●Switch to Switch interface
●Switched backplane applications
●Router/Server interface
●Other optical transmission systems
Product Specifications:
Absolute Maximum Ratings
Table 1 - Absolute Maximum Ratings

Recommended Operating Conditions
Table 2 - Recommended Operating Conditions

Optical and Electrical Characteristics
HT101-24D033S20(D): (FP and PIN, 1310nm, 20km Reach)
Table 3 - Optical and Electrical Characteristics
Notes:
1 The optical power is launched into SMF.
2 PECL input, internally AC-coupled and terminated.
3 Measured with a PRBS 27-1 test pattern @1250Mbps, BER ≤1×10-12 .
4 Internally AC-coupled.
Timing and Electrical
Table 4 - Timing and Electrical
Diagnostics
Table 5 – Diagnostics Specification
Digital Diagnostic Memory Map
The transceivers provide serial ID memory contents and diagnostic information about the present operating conditions by the 2-wire serial interface (SCL, SDA).
The diagnostic information with internal calibration or external calibration all are implemented, including received power monitoring, transmitted power monitoring, bias current monitoring, supply voltage monitoring and temperature monitoring.
The digital diagnostic memory map specific data field defines as following.

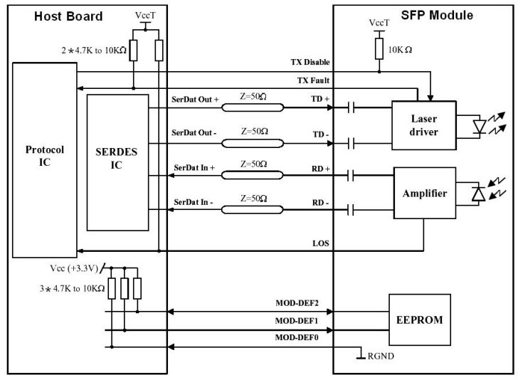
Pin Definitions
Pin Diagram

Pin Descriptions

Notes:
Plug Seq.: Pin engagement sequence during hot plugging.
1) TX Fault is an open collector output, which should be pulled up with a 4.7k~10kΩ resistor on the host board to a voltage between 2.0V and Vcc+0.3V. Logic 0 indicates normal operation; Logic 1 indicates a laser fault of some kind. In the low state, the output will be pulled to less than 0.8V.
2) TX Disable is an input that is used to shut down the transmitter optical output. It is pulled up within the module with a 4.7k~10kΩ resistor. Its states are: Low (0 to 0.8V): Transmitter on (>0.8V, < 2.0V): Undefined High (2.0 to 3.465V): Transmitter Disabled Open: Transmitter Disabled
3) Mod-Def 0,1,2. These are the module definition pins. They should be pulled up with a 4.7k~10kΩ resistor on the host board. The pull-up voltage shall be VccT or VccR. Mod-Def 0 is grounded by the module to indicate that the module is present Mod-Def 1 is the clock line of two wire serial interface for serial ID Mod-Def 2 is the data line of two wire serial interface for serial ID
4) LOS is an open collector output, which should be pulled up with a 4.7k~10kΩ resistor. Pull up voltage between 2.0V and Vcc+0.3V. Logic 1 indicates loss of signal; Logic 0 indicates normal operation. In the low state, the output will be pulled to less than 0.8V.
5) RD-/+: These are the differential receiver outputs. They are internally AC-coupled 100 differential lines which should be terminated with 100Ω (differential) at the user SERDES.
6) TD-/+: These are the differential transmitter inputs. They are internally AC-coupled, differential lines with 100Ω differential termination inside the module.
Recommended Interface Circuit Mechanical Dimensions


Indoor AP
Outdoor AP
Router Product
Ethernet Switch
SDWAN Hardware
SFP Series
Bank Solution
Telecom Solution
Security Solution
IOT Solution
